pl2303
类型:商务办公
更新:2026-01-19 16:07:23
说明:安全下载是通过360助手获取所需应用,安全绿色便捷。
举报
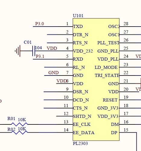
欢迎下载“PL2303”驱动程序!“PL2303”是一款广泛使用的USB转串口芯片,其驱动程序可以帮助您的电脑与各种串口设备顺利连接和通信。通过安装“PL2303”驱动,您可以轻松实现数据传输、设备管理和调试操作,非常适合开发者、工程师以及需要连接串口设备的用户。我们的驱动程序支持多种操作系统,安装简便,使用快捷。立即下载“PL2303”驱动,让您的设备连接更稳定、操作更顺畅!
- 系统要求需要支持安卓系统5.2以上
- 是否收费免费(游戏内购买)
- 游戏大小
109.56MB
- 版本号
4.0.15
- 游戏语言中文
- 运营商pl2303
-
包名
com.oq1z4.hsy8m
-
MD5值
yh2znomw5ukbaci9exsqljr76fgv480d